设为首页收藏本站

天空语文 如皋  九华 作文  教学

 找回密码
 我要加入(register注册)

QQ登录

只需一步,快速开始

快捷登录

最近看过此主题的会员

天空新人

hao520

搁浅1999

李宇俊202477

xulili8588

糖拌饭202091

手动滑稽

我是文化人

77翔子

41BCDD

顾佳瑞七六阅读

小燕子

李白202091

蓝兰的花朵

嘿嘿嘿

joycy

颂颂.g

酷土土土

用户已注销

Jeremy

ʚ贴贴ɞ

果子黑

H·princess

李苏楠

方大金

依灵灵灵.

查看: 724|回复: 0
收起左侧

[收音机] SONY FX193/FX195收放音机原理分析

[复制链接] TA的其它主题
米老鼠和蓝精鼠v 发表于 2022-11-6 14:59:50 | 显示全部楼层 |阅读模式 来自- 巴西
来自- 巴西

加入天空更多精彩

您需要 登录 才可以下载或查看,没有帐号?我要加入(register注册)

x
SONY FX193/FX195收放音机原理分析

2017-09-13 13:56:44作者:佚名7751[url=]评论[/url]


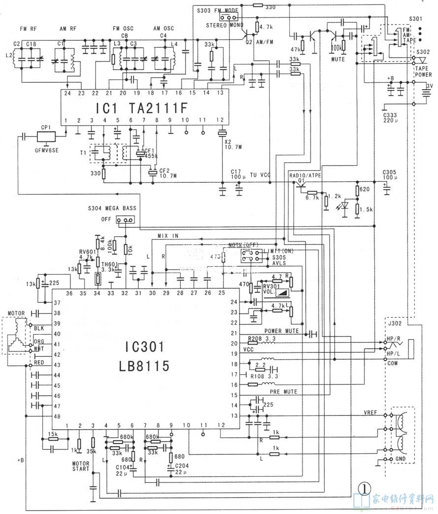
FX193/FX195是SONY公司前几年推向市场的中低档收放音机(手调收音,放音无自返带功能)。此两种机型用同样的线路主板,但FXl95比FX193多MEGA BASS(动态低音提升)功能,外观设计也略有差异。     像大多数品牌的中低档微型收放机一样,为降低成本,SONY在其推出的低挡收放机FX193/FX195中也采用了单片放音及单片收音集成电路。但作为walkman的鼻祖,SONY推出的产品还是有其过人之处:放磁带时本底噪声及电机干扰噪声低;收音灵敏度高,立体声效果佳;频率响应宽;省电低功耗。整机实测电路如图1所示。

一、放音电路
    FX193/FX195的磁带放音部分采用三洋公司产的单片放音机集成电路LB8115(IC301)。该IC除了有自动返带、音源转换、动态低音提升、自动音量限制、开机静噪等功能外,还内置相当于LB1674这样的高效率的低功耗三相交流电机驱动电路。它无论功能、音质、信噪比,还是低功耗等,均优于常见的单片放音集成电路LAG665、LAG668。该芯片为VQFP48脚封装。
    下面通过信号流程来介绍该IC。当FM/AM/TAPE选择开关S301打在磁带放音TAPE位置,与载带机构连动的开关S302闭合接通时:IC30l 19脚VCC电源端加上正电源,IC301③脚电机启动端经35k电阻被加上高电平,IC301内部的电机驱动(振荡、稳速等)电路开始工作。39、40、41脚分别驱动低功耗三相交流电机的一个绕组,使其工作在设定的速度下。电位器RV60l用于调整电机转速。
    磁头拾取的L、R信号从⑩、12脚正向磁带信号输入端输入前置放大电路。⑨、11脚是反向磁带信号输入端,由于FXl93/FXl95无自返带功能,故空置未用。因为Q1基极经6.7k电阻被加上高电平,Ql处于截止状态(c、e极相当于开路)。与Q1的c极相连的IC30l 15脚前置静音控制端处于低电平,故前置放大器放大后的L、R磁带信号能分别从⑤⑦脚输出。前置放大器⑤⑥脚及⑦⑧脚外接放音补偿网络符合普通磁带所需的补偿时间常数。
    而当FM/AM/TAPE:选择开关S301打在收音(FM或AM)位置时,IC301 19脚VCC电源端仍加上正电源。但:IC301③脚不加电,为低电平,IC301内部电机驱动电路不工作。Q1基极也不加电,为低电平。Q1处于导通状态(c、e极相当于连通),故IC30115脚前置静音控制端处于高电平,使IC301前置放大器无法从⑤⑦脚输出信号。
    放音时IC301⑤⑦脚输出的放音信号或收音时从Icl 13、14脚来的收音信号,从IC301 30、29脚混合MlX端输入到内部动态低音提升电路MEGA BASS及自动音量限制电路AVLS。IC30l在加强低音时,为保证音色平衡也对高音略作提升,28、27脚就是高音提升输入端。
    S304为MEGA BASS动态低音开关,其动臂与IC301 32脚相连。IC301 32脚为内部动态低音提升电路的开/关控制端。当32脚经10k电阻接VCC高电平时,IC301内部的动态低音提升到电路不工作。当32脚为低电平时,IC301内部的动态低音提升电路工作,产生强劲的低音效果。经MEGA BASS处理后的信号从25、24脚输出。当25、24脚分别经470Ω电阻接参考电压端(S305 AVLS开关打在ON位置时),IC30l内部自动音量限制AVLS电路工作,使输出的信号动态变小,音量变小,保护人的听力。当25、24脚对参考电压端悬空(S305在OFF位置时),IC30l内部AVLS电路不工作。
    24、25脚输出的信号分别经音量电位器及4.7k电阻输入到IC301内部的功放电路的输入端22、23脚。功放输出端为16、20脚,18脚为功放的公共端(交流地)。13脚为前置的参考电压端(交流地)。21脚为Ic的功放静音控制端。21脚内部电路配合21脚外接的元件实现开/关机、波段转换时的静噪功能。

二、收音电路
    FX193/FXl95的收音集成电路用东芝产的单片AM/FM立体声收音集成电路TA2111F(IC1),该TC为SSOP 24脚封装,外围元件需调整的较少,除AM、FM高频部分的调谐、本振等需调整元件外,只有AM中周T1需调整。其FM立体声解码VCO回路可免调整,所以不需外接456k陶瓷谐振器。该电路有较佳的灵敏度、信噪比、立体声分离度。TA2111F的灵敏度与索尼产的CX—A1238,CXA1538芯片不相上下,而立体声分离度比CXAl238要好,与TA8112,TA8127的差不多。
    TA2111F工作予FM波段的条件是:S301打在FM位置,此时正电源经4.7k电阻加在Q2基极,Q2截止(相当于断开),AM/FM控制端16脚处于低电平。FM RF信号经带通滤波器cPl后从Icl①脚输入。23脚外接FM RF调谐回路,21脚外接FM OSC本振回路。FM OSC本振信号与FM RF信号的差频为10.7MHz的中频信号,从④脚输出。10.7MHz的中频信号经T1(Tl对FM信号来说阻抗很小),中周CF2选频后输入⑧脚内放大、鉴频。12脚外接10.7M的陶瓷鉴频器。鉴频后得到的FM音频信号从18脚输出,经低通滤波后输入到17脚内进行立体声解码。15脚是立体声解码锁相环的低通滤波端,同时该脚也是立体声/单声道转换端。当该脚接正电源高电平时,立体声解码电路被关闭,从IC1 13、14脚输出的是单声道信号。而IC1 15脚低电平,13、14脚可输出经立体声解码的FM立体声信号。
    ICl工作于AM波段的条件是:S301打在AM位置,此时正电源经330Q电阻加到16脚。16脚为高电平时,ICl工作于AM状态,立体声解码电路也被关闭。从磁棒天线感应的AM中波信号经AM RF调谐回路输入24脚。20脚外接AM OSC本振回路。AM OSC本振信号与AM RF信号差频产生的455kHz中频信号也从④脚输出。AM中频信号经中周T1、CFI选频后输入⑦脚内放大、检波。检波后得到的AM音频信号也从18脚输出,低通滤波后输入到17脚内立体声解码电路。但立体声解码电路13、14脚在AM状态下输出的是相同的单声道信号。
    电路实测数据如表所示。测试条件:电源3V。放音时机心空载,收音时处于无台状况。音量电位器调至最小位置。使用高阻抗电压表,测量值按4舍5入取小数点后一位。
表1 TA2111F静态电压值(单位:V )

表2 LB8115静态电压值 (单位:V )




我知道答案 本帖寻求最佳答案回答被采纳后将获得系统奖励10 天空金币 , 目前已有0人回答

最近访客

谁来看过你
此贴被TA们浏览了724次
来自- 巴西
回复
天空论坛,有你有我,明天更好!
来自- 巴西
点评回复 来自- 巴西

使用道具 举报 来自- 巴西

本版积分规则

×天空论坛发帖友情提示:
1、注册用户在本论坛发表、转载的任何作品仅代表其个人观点,不代表本论坛认同其观点。
2、如果存在违反国家相关法律、法规、条例的行为,我们有权在不经作者准许的情况下删除其在本论坛所发表的文章。
3、所有网友不要盗用有明确版权要求的作品,转贴请注明来源,否则文责自负。
4、本论坛保护注册用户个人资料,但是在自身原因导致个人资料泄露、丢失、被盗或篡改,本论坛概不负责,也不承担相应法律责任。

QQ|手机版|我们的天空 ( 苏ICP备18048761号 ) |苏公网安备32068202000215号 |网站地图

GMT+8, 2025-11-30 07:59 , Processed in 0.280683 second(s), 45 queries , Gzip On.

Powered by Discuz! X3.4

Copyright © 2001-2021, Tencent Cloud.

快速回复 返回顶部 返回列表